江苏安科瑞电器制造有限公司
Jiangsu Acrel electrical appliance manufacturing co., LTD
抗晃电
线路保护
马达保护器
KNX总线智能照明系统
485总线智能照明系统
APD系列局部放电监测装置
防逆流/防孤岛
光伏/储能综自
110KV及以下保护测控装置
35KV 及以下保护测控装置
10KV及以下保护测控装置
ASD系列开关柜综合测控装置
ARTM系列电气接点在线测温装置
ARB系列弧光保护装置
APView电能质量在线监测装置
WHD温湿度控制
PZ系列可编程智能电测仪表
AMC系列可编程电测仪表
ARTU系列三遥单元
ASJ系列智能电力继电器
Acrel-2000E配电室综合监控系统
AMC100精密配电监控装置
母线槽监测
铁塔基站多回路计量仪表
ABAT100系列蓄电池在线监测装置
ADL200/ADL400系列导轨式电能表
ACR系列网络电力仪表
APM系列网络电力仪表
AEM嵌入式电力仪表
DDS/DTS系列计量表
DDSY/DTSY系列预付费电表
ADF400L系列多用户电能表
DDSY-xDM宿舍用电管理终端
预付费售电管理系统
ADW电力物联网仪表系列
DJSF1352系列直流电能表
ACCU微电网协调控制器
ANet智能通信管理机
AWT100无线通信终端
SVC低压动态无功补偿装置
ANAPF有源电力滤波器
ANSNP中线安防保护器
ANSVG静止无功发生器
工业IT系统
直流IT系统
ARCM电气火灾监控装置
AFPM消防设备电源监控装置
AFRD系列防火门监控系统
A-系列应急照明和疏散指示系统
医用IT隔离电源柜
ASCP电气防火限流式保护器
AAFD故障电弧探测器
ABEM银行用电检测预警设备
AESP100系列末端多回路智慧用电在线监测装置
ASCB1系列智能微型断路器
AISD系列智能安全配电装置
工商业光伏
户用光储
阳台光伏
地面光伏电站
工商业储能系统
大型储能电站
电动汽车充换电站
风力发电系统
微电网系统
AIM-D100 直流绝缘监测仪
AGF-AE逆流检测仪表
AGF光伏汇流采集装置
ACR10R系列逆流检测仪表
ACX电瓶车智能充电桩
AEV系列汽车充电桩
APV光伏汇流箱
霍尔传感器
AKH-0.66系列电流互感器
BA系列交流电流传感器
BR系列罗氏线圈电流变送器
BM系列模拟信号隔离器
ARU系列浪涌保护器
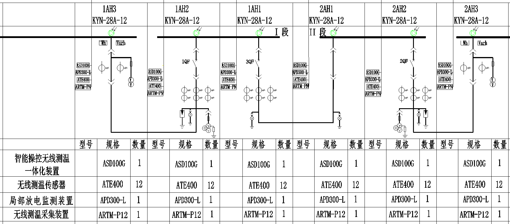
ASD100G 开关柜智能操控装置
ASD100G 开关柜综合测控装置用于 3~35kV 户内开关柜,适用于中置柜、手车柜、固定柜、环网柜等多种开关柜。具有一次回路模拟图及开关状态指示,高压带电显示及核相,自动温湿度控制,加热回路故障告警,RS485串行通讯等众多功能。
ALP220 低压线路保护器
ALP320 低压线路保护器
ALP500 低压保护测控装置
ALP300 电动机保护器
AM5SE-PV 主从机防逆流保护装置
AM3-I防孤岛保护装置
QQ咨询
咨询热线
微信
回到顶部
首页
产品中心
联系我们
商城